A Method for the Rapid Semi-Quantitive Identification of
Hazardous Organic Constituents in Liquid Organic Hazardous
Waste
Streams
David Gossman
President
Gossman Consulting, Inc.
Presented at the AWMA International Specialty Conference on Waste Combustion in Boilers and Industrial Furnaces March, 1993
ABSTRACT
Screening shipments of liquid organic hazardous wastes at commercial treatment facilities for hazardous constituents has always been problematic. Practical time constraints and a complex and variable matrix prevent the use of traditional analytical techniques to identify constituents of concern in all but special circumstances. SW-846 procedures developed for highly accurate ppm or sub ppm determinations in an aqueous matrix are essentially unusable. A procedure and methodology has been developed which combines minimal sample preparation, wide bore gas chromatography columns, and a mass selective detector to allow the rapid (<30 minutes) screening of liquid organic hazardous waste streams for a wide variety of volatile and semivolatile constituents. The process allows a facility to screen for and either reject or implement special handling procedures for highly toxic constituents which could effect human health and safety, and might otherwise go unmonitored or uncontrolled.
INTRODUCTION
Volatile and semivolatile organic analyses and shipment screening has been performed at a number of cement plant hazardous waste fuel facilities since the beginning of commercial operations in 1980. The early techniques used packed glass column gas chromatography techniques with flame ionization detectors. Large numbers of standards were required, and various extraction techniques were used to identify the constituents in hazardous waste fuels. Samples were generally diluted in carbon disulfide to aid in the analysis. This lab reagent was generally more toxic than the majority of the identified constituents. Nevertheless, this technique proved functional and over the years allowed facilities to prevent the receipt of waste fuel shipments containing dangerous concentrations of highly toxic components such as ethylene dibromide, pentachlorophenol, vinyl chloride monomer, toluene diisocyanate, and propylene glycol dinitrate. These procedures have also been invaluable in providing right-to-know information to plant employees. Although not required under either OSHA or MSHA regulations, many companies believe that providing employees with detailed information on the materials they are handling is appropriate and justified as well as protective of corporate self interest.
In 1986, further development of the method resulted in a wide-bore column technique that split the column output to both a flame ionization detector and a thermal conductivity detector. The ratio of the response factors provided an additional dimension of data to assist in compound identification. Still, large numbers of standards and significant analyst time were required to provide quality data.
With the advent of small mass spec detectors and associated easy to use Windows-based software, such as the Hewlett Packard MSD system, the use of mass spectroscopy data on a high speed turnaround basis became practical. Hence the following method was developed.
METHODOLOGY
Equipment
| Gas chromatograph - | The system consists of an HP 5890 G/C with both an FID and MSD. Packed column injectors are preferred as is electronic pressure control and an autosampler. |
| Column - | Supelco supplied glass capillary column 60 m (0.75 mmID) coated with 1.0 m SPB1. |
| Centrifuge - | Table-top model. |
| Gasses - | Figure 1 provides a gas flow diagram identifying gasses and flows. |

Figure 1. Gas Flow Diagram
GC Conditions
Sample Preparation
1. Pipet approximately 5ml into a test tube or centrifuge tube.
2. Centrifuge the sample at the highest speed for two to five minutes.
3. Transfer a suitable aliquot, e.g. 1 ml, of the liquid layer to a clean autosampler vial by means of a disposable pipet.
4. If the sample is too viscous for proper syringe operation, it may be diluted volumetrically with an appropriate solvent.
5. Inject 0.1 l of the sample into the GC.
RESULTS
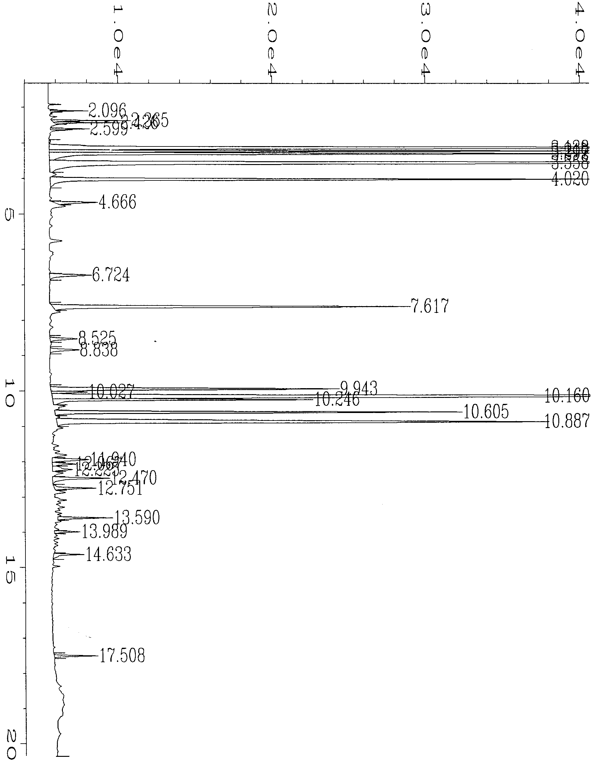
Figures 2 and 3 present the FID and total ion MSD chromatograms of a typical waste fuel mixture from an actual shipment, obtained simultaneously using this technique. Agreement between the FID and MSD chromatograms is ± .01 minutes. As a good indication of the high resolution of the chromatography, acetone (2.36 minutes) and isopropyl alcohol (2.42 minutes) are resolved nearly to baseline. All peaks greater than 0.1% relative area percent were then subject to a TIC search using the system's software and database.
No separate standards were run. Of 29 peaks, all but two were easily identified. Table 1 presents the subsequent report. This entire process can be performed in less than an hour. For waste shipments where a representative sample has been qualified prior to shipment, the process can be even faster since only new, previously unidentified peaks need to be checked. Using the HP software, identification of suspect or unknown peaks can be performed even while the rest of the sample is eluting from the chromatograph.

Figure 2. FID Chromatogram of a Typical Waste Fuel Mixture

Figure 3. Total Ion MSD Chromatogram of a Typical Waste Fuel Mixture
CONCLUSION
Because the need for volatile and semivolatile organic constituent data in hazardous waste is generally restricted to a qualitative and semi-quantitative nature, existing technology provides a viable means to screen individual shipments of hazardous waste at treatment and recycling facilities in order to prevent the receipt of highly toxic compounds or provide the opportunity to implement special handling requirements, as needed. This methodology also provides valuable data to allow management to provide employees with waste constituent information, and thereby prevent misunderstandings, as well as minimize potential liabilities.
Acknowledgments
I would like to acknowledge the support and assistance of Chemical Manufacture and Refining Ltd. of Great Britain, Ash Grove Cement Company, and Cadence Environmental Energy, Inc. in the development of this methodology.
References
Test Methods for Evaluating Solid Waste - Third Edition, SW-846, U.S. Environmental Protection Agency - Office of Solid Waste and Emergency Response, Washington DC, November, 1986.
Table 1. Waste Fuel Analysis (Semi-quantitative)
| Constituent | Area% |
| acetone | 0.3 |
| isopropyl alcohol | 0.3 |
| 2,3-butanedione | 17.3 |
| MEK | 3.9 |
| C6 aliphatics | 37.5 |
| 1-butanol | 0.4 |
| MIBK | 0.5 |
| toluene | 4.0 |
| 3-methylene-heptane | 0.3 |
| butyl acetate | 0.3 |
| ethyl benzene | 3.2 |
| 2-ethoxyethyl acetate | 0.3 |
| xylene | 18.2 |
| cyclohexanone | 2.5 |
| 2-butoxyethyl acetate | 0.4 |
| 2-(2-butoxyethoxy)-ethanol | 0.3 |
| unidentified (2 peaks) | 0.7 |
| 100% |
Key Words
Analysis
Gas Chromatography
Mass Spectroscopy
Organic Hazardous Waste
Volatile Constituents
Semi-volatile Constituents